Οι καυστήρες πετρελαίου είναι ηλεκτροκίνητες συσκευές που διαθέτουν τον αναγκαίο εξοπλισμό και τους απαραίτητους αυτοματισμούς για την προσαγωγή, τον διασκορπισμό, την ανάμειξη με τον αέρα και την καύση του καυσίμου. Ο διασκορπισμός και η ανάμειξη των σταγονιδίων του καυσίμου με τον αέρα γίνεται στο φλογοθάλαμο του λέβητα.
Οι καυστήρες υγρών καυσίμων των κεντρικών θερμάνσεων, καταναλώνουν σχεδόν αποκλειστικά ελαφρύ πετρέλαιο και σπανιότερα μαζούτ. Η βασική τους λειτουργία συνίσταται στον διασκορπισμό του καυσίμου σε κατάλληλα λεπτά σωματίδια, η έντονη ανάμιξή του με την σωστή ποσότητα αέρα και η έναυση και διατήρηση της καύσης.
Σημειώνεται ότι με το οξυγόνο του αέρα αντιδρούν μόνο αέρια και ατμοί. Έτσι η δημιουργία μείγματος απαιτεί τη μετάβαση του υγρού καυσίμου στην αέρια φάση.
Στη χώρα μας χρησιμοποιούμε ως πετρέλαιο καύσης, πετρέλαιο Diesel που είναι κλάσμα της απόσταξης του αργού πετρελαίου. Η ατμοποίηση του ελαφρού πετρελαίου μπορεί να γίνει με τη θέρμανση σε περίπου 360-380 C. Η συνηθισμένη τεχνική της καύσης του πετρελαίου συνίσταται στη δημιουργία ενός νέφους λεπτών σταγόνων που αιωρούνται μέσα στον φλογοθάλαμο και στην καύση τους μέσα σ’ αυτόν. Η έναρξη της καύσης γίνεται με τη βοήθεια σπινθήρα που παράγει το σύστημα έναυσης. Κατόπιν, η συντήρηση της καύσης γίνεται από την ίδια τη φλόγα.
Τα μέρη του καυστήρα υγρών καυσίμων
Για το σύνολο σχεδόν των καυστήρων υγρού καυσίμου συναντάμε τα παρακάτω μέρη:
- Το κέλυφος του καυστήρα (ή περίβλημα) είναι κατασκευασμένο συνήθως από πλαστικό και προστατεύει τα εσωτερικά μέρη του καυστήρα από σκόνη ή κτυπήματα. Αφαιρείται εύκολα για την επιθεώρηση, τον καθαρισμό, επισκευή ή ρύθμιση του καυστήρα.
- Το άνοιγμα προσαγωγής αέρα με ρυθμιζόμενο διάφραγμα (ντάμπερ). Μας επιτρέπει να ρυθμίσουμε μέσα σε κάποια όρια την ποσότητα του προσαγόμενου αέρα.
- Ο ανεμιστήρας με κεκλιμένα πτερύγια που εξασφαλίζει την αναγκαία παροχή αέρα για την καύση του καυσίμου.
- Ο ηλεκτρικός κινητήρας που δίνει κίνηση στον άξονα του ανεμιστήρα. Συνήθως είναι ένας μονοφασικός ασύγχρονος κινητήρας με μικρή ισχύ.
- Ο ηλεκτρικός πίνακας αυτόματης λειτουργίας. Περιλαμβάνει όλα τα όργανα (ρελέ, αντιστάσεις, κ.λπ.) που ρυθμίζουν την λειτουργία του καυστήρα και την διακόπτουν σε περίπτωση έλλειψης φλόγας ή καυσίμου ή για άλλο λόγο.
- Ο μετασχηματιστής έναυσης που δημιουργεί την αναγκαία τάση (6.000-10.000 V) για τη δημιουργία ηλεκτρικού σπινθήρα, μεταξύ δύο ηλεκτροδίων που βρίσκονται κοντά στο ακροφύσιο και είναι απαραίτητα για την έναυση.
- Η αντλία καυσίμου απορροφά το καύσιμο από τη δεξαμενή και με τη βοήθεια του ακροφυσίου διασκορπισμού το εκτινάσσει με πίεση 10-12 bar. H παροχή της αντλίας είναι πάντα μεγαλύτερη από την παροχή του ακροφυσίου και έτσι η περίσσεια επιστρέφει στη δεξαμενή.
- Το ακροφύσιο διασκορπισμού (μπέκ) είναι το τμήμα του καυστήρα από το οποίο εξέρχεται το καύσιμο. Μετατρέπει την πίεση (δυναμική ενέργεια) του καυσίμου σε κινητική ενέργεια, δηλαδή σε υψηλή ταχύτητα. Η διαμόρφωση του ακροφυσίου είναι τέτοια ώστε το καύσιμο διασκορπίζεται με τη μορφή μικρών σταγονιδίων. Τα ακροφύσια χαρακτηρίζονται από την παροχή τους σε lit/h ή gal/h. Η ροή του καυσίμου από την έξοδο της αντλίας μέχρι το μπέκ ελέγχεται από ηλεκτρομαγνητική βαλβίδα.
- Το φωτοκύτταρο εντοπισμού της φλόγας παρακολουθεί την εξέλιξη της καύσης. Σε περίπτωση απώλειας της φλόγας, το φωτοκύτταρο δίνει εντολή στον πίνακα αυτοματισμού και αυτός διακόπτει τη λειτουργία του καυστήρα. Η επανεκκίνηση του καυστήρα απαιτεί τη χειροκίνητη εκκίνησή του.
- Η κεφαλή καύσης εξασφαλίζει τη σωστή ανάμειξη του καυσίμου με τον αέρα, τη σταθεροποίηση της φλόγας και γενικότερα την ικανοποιητική λειτουργία της καύσης.


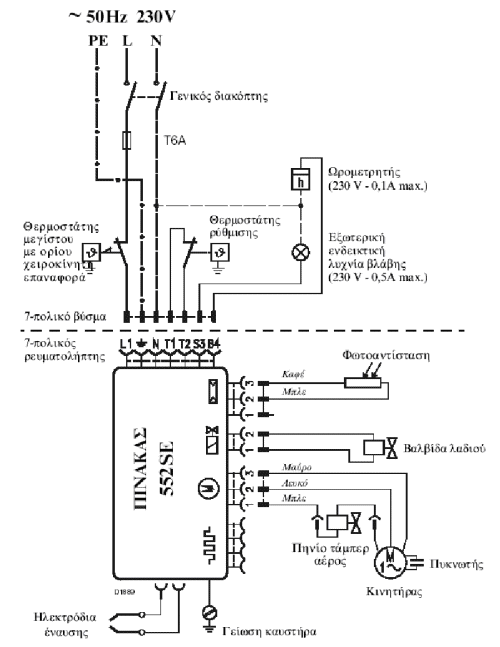
Ηλεκτρική συνδεσμολογία καυστήρα πετρελαίου
Η ηλεκτρική παροχή του καυστήρα με 230V 50Ηz γίνεται από τον πίνακα του λεβητοστασίου. Η ηλεκτρική γραμμή του καυστήρα εφοδιάζεται με ένα διπολικό ασφαλειοποζεύκτη φορτίου που επιτρέπει την απομόνωση του καυστήρα σε περίπτωση συντήρησης. Στο παρακάτω σχέδιο βλέπουμε και τον τρόπο σύνδεσης του θερμοστάτη ασφαλείας (μεγίστου ορίου) και του θερμοστάτη λειτουργίας (υδροστάτη) στο ηλεκτρικό κύκλωμα του καυστήρα.
